一、序言
四工位自動刀架結構簡單、容易制造、品種多且規格全,可滿足我國經濟型數控車床、簡易數控和電子車床的使用要求。然而,在長期使用中尤其是大批量生產使用中,暴露出較為嚴重的缺陷,如:刀架不能起動,刀架連續運轉、到位不停,刀架越位過沖或轉不到位,以及不能正常夾緊等。為了解決四工位自動刀架在加工中存在的這些問題,筆者設計了一種不換刀位即可完成內外徑加工的刀具。
二、原用刀具及加工方式

圖1 零件結構及尺寸
我公司某零件內外徑加工要求:內徑76mm,外徑130mm,頭部有R400mm圓弧需要加工,加工余量較大,如圖1所示。原加工工藝為1號外圓弧車刀、3號端面內孔車刀分別加工外圓弧及端面內孔,1號刀位加工完成后需經過2號刀位換刀后換到3號刀位,3號刀位加工完成后需經過4號刀位換刀換到1號刀位。這種方式空運行時間較長,同時由于頻繁刀位轉換導致刀架定位銷磨損,切削液的使用導致換位接觸盤接觸不良,因此故障率較高且維修困難,維修后故障重復率較高,刀位經常歸位不準確,造成廢品。此外順序換刀使用兩種型號刀片,增加了生產成本。
三、復式組合刀具的設計

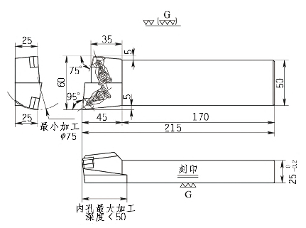
圖2 復式組合刀具結構

圖3 復式組合刀具實物
通過工藝分析和優化,設計出復式組合刀具(見圖2、圖3)。該復式組合刀具是在一個刀體上設置兩個刀片安裝位,其下刀位對端面內孔進行加工,上刀位加工R400mm外圓弧,刀具寬度為60mm。此刀具可加工?65mm以上內孔,適用于加工外徑,該刀具兩個刀位共用CNMG120412刀片,采用上壓鎖緊方式,這種鎖緊方式適用于大進給量切削,端面內孔使用80°刀片尖角,外圓弧使用其側邊100°余角,當下刀位刀片磨損后可給上刀位使用。
用新設計的復式組合刀具進行試加工,可加工的零件數量有較大提高,且刀具單價下降,批量生產中具有較高的經濟價值。
刀具兩個刀尖相對位置是固定的,刀具在一個工位上可以設定兩組刀具偏置號——T0101、T0102,各取自用互不影響,下刀位T0101加工完成端面內孔時,返回安全換刀點后換上刀位T0102號繼續加工外圓弧,使其在一個工位上一次完成產品內外加工,其內外尺寸刀補調整靈活方便。程序如下。
00120
G98G54G21G40;
M03S500;
T0101;1號刀補下刀位加工
G0X200Z0;
......
G0X200Z100;
T0102;2號刀補上刀位加工
G0X120Z0;
……
M30
四、復式組合刀具的創新點
1)刀體長寬為170mm×60mm,由四方刀臺上3個緊固螺栓固定,因此刀體強度高,裝夾穩定,抗振性好。通過試驗對比發現,此刀具適合大切削量加工,切削次數由原來的兩次提升為一次,有效提高了加工效率,且零件表面質量穩定。
2)由于復式組合刀具是在刀臺一個工位上安裝,因此加工中不需換刀旋轉刀臺,解決了頻繁轉位換刀造成的故障問題,降低了設備使用故障率,提高了產品質量與加工效率。
3)復式組合刀具共用一種型號刀片,尤其外圓弧是利用廢棄刀片側邊100°余角來加工,有效降低了成本。通過復式組合刀具對兩個品種10000多件產品的實際生產,發現該刀具與同組兩工位刀具對比有效提高了產量20%,且避免了因刀臺轉位產生的故障,與同組兩工位刀具對比節省240h以上,刀具費用降低一半。
4)通過復式組合刀具的設計與應用,為后續開發復式組合多用途刀具提供了借鑒經驗及技術保障。在此基礎上可以開發出內外螺紋、切槽等多用途組合刀具,有效增加四方刀臺工位,同時使用4種復式組合刀具相當于刀位數量提高一倍,使該數控設備更適用于復雜零件的生產加工。
入駐:2026-02-23
入駐:2026-02-22
入駐:2026-02-22
入駐:2026-02-22
入駐:2026-01-14
舉辦:2026-03-26 至 2026-03-29
舉辦:2026-04-01 至 2026-04-03
舉辦:2026-03-11 至 2026-03-13
舉辦:2025-12-04 至 2025-12-05
舉辦:2025-11-13 至 2025-11-14